Насосы НМШ 2-40,5-25, 8-25
Насос шестеренный типа НМШ и агрегаты на его основе предназначены для перекачивания нефтепродуктов (масло, нефть, мазут, дизельное топливо, в том числе для подачи мазута в котельных установках), обладающих смазывающей способностью без механических примесей.
Основные детали проточной части и электронасосные агрегаты изготовлены из чугуна. Насос относится к видам изделия 1 (восстанавливаемые) по ГОСТ27.003-90 и выпускается в климатическом исполнении У (для эксплуатации в помещениях категории размещения 3) по ГОСТ 15150-69.
Гарантийный срок: 18 месяцев со дня продажи, но не более 24 месяцев со дня изготовления. Средний срок службы насоса: 15 лет.
Принцип работы:
По принципу действия шестеренный насос – объемный. При вращении ведущего и ведомого роторов на стороне входа создается разрежение, в результате жидкость под давлением атмосферы заполняет впадины между зубьями и в них перемещается со стороны входа на сторону выхода. На выходе при зацеплении зубьев происходит выдавливание жидкости в систему.
Направление вращения ведущего ротора насоса – правое (по часовой стрелке), если смотреть со стороны привода.
| Показатель |
|
|
|
|||
|---|---|---|---|---|---|---|
|
НМШ5-25-2,5/6 |
НМШ5-25-2,5/6 |
|
||||
|
НМШ5-25-4/4 |
НМШ5-25-4/4 |
НМШ8-25-6,3/10 |
||||
|
|
|
|
||||
| Тип перекачиваемой жидкости | Масло, мазут, дизельное топливо | Масло, нефть, мазут |
Масло, нефть, мазут |
|||
|
Кинематическая вязкость перекачиваемой жидкости, м2/с (0ВУ) |
|
|
|
|||
| Кинематическая вязкость перекачиваемой жидкости, сСт | 1,8...280 | 6 600 | 75...1500 | |||
|
Температура, 0С (К), не более |
- масло, нефть, мазут |
70 (343) |
||||
|
-дизельное топливо летнее |
40 (313)
|
|||||
|
|
30 (303) |
|||||
|
Примечание: кинематическая вязкость дизтоплива 0,018*10-4…0,5*10-4м2/с (1,08…1,390ВУ) – зимнего; 0,03*10-4...0,06*10-4м2/с (1,2…1,480ВУ) – летнего. При t=200С (293К), ГОСТ305-82 |
||||||
| Показатель |
|
|
|
|
|
|
|
|
|---|---|---|---|---|---|---|---|---|
|
|
1,6 (0,4) | 2,5 (0,6) | 4,0 (1,1) | 4,0 (1,1) | 4,0 (1,1) | 6,3 (1,75) | 6,3 (1,75) | 6,3 (1,75) |
| Давление на выходе из насоса, МПа (кгс/см2) | 1,6 (16) | 0,6 (6,0) | 0,4 (4,0) | 1,0 (10) | 2,5 (25) | 0,25 (2,5) | 1,0 (10) | 2,5 (25) |
| Допустимая вакуумметрическая высота всасывания (м) | 5 | |||||||
| Частота вращения, с-1(об/мин) | 24 (1450) | 16 (980) | 24 (1450) | 24 (1450) | 24 (1450) | 24 (1450) | 24 (1450) | 24 (1450) |
| КПД насоса в агрегате, %, не менее | 48 | 47 | 48 | 53 | 54 | 52 | 53 | 60 |
| Давление полного перепуска, МПа (кгс/см2), не более | 2,4 (24,0) | 0,9 (9,0) | 0,6 (6,0) | 1,5 (15) | 3,75 (37,5) | 0,55 (5,5) | 1,5 (15) | 3,75 (37,5) |
| Масса насоса, кг, не более | 15 | 17 | 27 | 29 | 33 | 28 | 31 | 34 |
| Показатели электродвигателя | ||||||||
| Мощность двигателя (кВт) | 1,5 / 2,2 | 3 | 5,5 | 1,5 / 2,2 | 4 | 7,5 | ||
| Напряжение (В) | 220/380* | 380* | ||||||
| Частота тока (Гц) | 50* | |||||||
| Вид тока | переменный | |||||||
|
Примечание: 1. Показатели указаны при работе на масле с кинематической вязкостью 0,75*10-4м2/с (100ВУ) *Допускается комплектация электродвигателями на другие напряжения, предусмотренные стандартами и частотой тока 60 Гц |
||||||||

Насос состоит из рабочего механизма, корпуса с крышками и предохранительного клапана. Рабочий механизм состоит из двух роторов - ведущего и ведомого, установленных на подшипниках качения. Ведущий ротор состоит из вала, на котором установлены по посадке с натягом две шестерни с косыми зубьями. Одна шестерня с левой, а другая с правой нарезкой. Шестерни установлены так, что образуют одну шестерню с шевронным зубом. Ведомый ротор имеет на своем валу такие же шестерни, как и ведущий ротор, но одна шестерня закреплена жестко, а другая - свободно. Такая установка шестерни дает ей возможность при работе насоса самоустанавливаться относительно зубьев ведущей шестерни для компенсации неточности установки шестерен на валу ведущего ротора.
Роторы с подшипниками устанавливаются в специальные расточки корпуса. С торцов корпус закрывается крышками. Уплотнение ведущего вала насоса - сальниковое.
Предохранительный клапан предназначен для кратковременного перепуска перекачиваемой жидкости из полости нагнетания в полость всасывания в случае повышения давления в напорном трубопроводе выше допустимого.
Регулирование клапана производится регулировочным винтом.
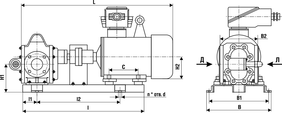
| Наименование | L* | l | l1 | l2 | H1 | H2 | B | B1 | B2 | Мощность, кВт |
|---|---|---|---|---|---|---|---|---|---|---|
| НМШ 2-40-1,6/16 | 575 / 605 | 454 | 54 | 315 | 143 | 80 / 90 | 260 | 225 | 140 | 1,5 / 2,2 |
| НМШ 5-25-2,5/6 | 615 | 454 | 54 | 315 | 143 | 90 | 260 | 225 | 140 | 1,5 |
| 655 | 510 | 54 | 350 | 143 | 100 | 260 | 225 | 140 | 2,2 | |
| НМШ 5-25-4/4 | 585 / 615 | 454 | 54 | 315 | 143 | 80 / 90 | 260 | 225 | 140 | 1,5 / 2,2 |
| НМШ 5-25-4/10 | 650 | 530 | 100 | 340 | 143 | 100 | 288 | 154 / 250 | 140 | 3 |
| НМШ 5-25-4/25 | 730 | 580 | 100 | 380 | 143 | 112 | 330 | 185 / 290 | 140 | 5,5 |
|
НМШ 8-25-6,3/2,5
|
595 / 625 | 454 | 60 | 315 | 143 | 80 / 90 | 260 | 225 | 140 | 1,5 / 2,2 |
| НМШ 8-25-6,3/10 | 665 | 510 | 60 | 350 | 143 | 100 | 260 | 225 | 140 | 4 |
| НМШ 8-25-6,3/25 | 860 | 580 | 60 | 410 | 175 | 132 | 380 | 225/335 | 140 | 7,5 |
* - справочный размер.
|
Наименование |
L* | l | l1 | l2 | H1 | H2 | B | B1 | B2 | Мощность, кВт |
|---|---|---|---|---|---|---|---|---|---|---|
| НМШ 2-40-1,6/16 | 575 / 605 | 430 / 450 | 100 | 196 | 143 | 80 / 90 | 300 | 260 | 140 | 1,5 / 2,2 |
| НМШ 5-25-2,5/6 | 615 / 655 | 450 / 480 | 100 | 196 | 143 | 90 / 100 | 300 | 260 | 140 |
1,5 / 2,2 |
|
НМШ 5-25-4/4
|
585 / 615 | 385 / 430 | 100 | 196 | 143 | 80 / 90 | 300 | 260 | 140 |
1,5 / 2,2 |
|
НМШ 5-25-4/10
|
650 | 400 | 100 | 196 | 143 | 100 | 300 | 260 | 140 | 3 |
|
НМШ 5-25-4/25
|
730 | 500 | 100 | 250 | 143 | 112 | 340 | 300 | 140 | 5,5 |
| НМШ 8-25-6,3/2,5 | 595 / 625 | 375 | 100 | 196 | 143 | 80 / 90 | 300 | 260 | 140 |
1,5 / 2,2 |
| НМШ 8-25-6,3/10 | 665 | 485 | 100 | 196 | 143 | 100 | 300 | 260 | 140 | 4 |
| НМШ 8-25-6,3/25 | 860 | 525 | 100 | 270 | 175 | 132 | 380 | 340 | 140 | 7,5 |
* - справочный размер.
Размеры входных и выходных фланцев
| Наименование | D0 | D1 | D2 | D3 | D4 | D5 | d1 | d2 | n |
|---|---|---|---|---|---|---|---|---|---|
| НМШ 2-40-1,6/16 | 25 | 75 | 100 | 20 | 75 | 100 | 10 | 12 | 4 |
|
НМШ 5-25-2,5/6
|
40 | 100 | 130 | 32 | 100 | 135 | 12 | 16 | 4 |
| НМШ 5-25-4/4 | 40 | 100 | 130 | 32 | 100 | 135 | 12 | 16 | 4 |
|
НМШ 5-25-4/10
|
40 | 100 | 130 | 32 | 100 | 135 | 12 | 16 | 4 |
|
НМШ 5-25-4/25
|
40 | 100 | 130 | 32 | 100 | 135 | 12 | 16 | 4 |
| НМШ 8-25-6,3/2,5 | 50 | 110 | 140 | 32 | 100 | 135 | 12 | 16 | 4 |
|
НМШ 8-25-6,3/10
|
50 | 110 | 140 | 32 | 100 | 135 | 12 | 16 | 4 |
| НМШ 8-25-6,3/25 | 50 | 110 | 140 | 32 | 100 | 135 | 12 | 16 | 4 |


